课程
📖 阅读信息
阅读时间:16 分钟 | 中文字符:6402
导论¶
汽车设计课程设计指导书
课程作业与考试要求
- 每章结束之后布置作业
- 布置 1~2 次课程设计作业
汽车总体设计¶
总体设计应该满足的要求:
- 汽车外廓尺寸应符合 GB 1589-1989《汽车外》廓尺寸限界》的要求
- 轴荷分配要合理,并应符合有关道路法规的限定要求
- 汽车各项性能,要求达到设计任务书的给定指标
- 进行有关运动学方面的校核,保证汽车有正确的运动和避免运动干涉。
- 拆装与维修方便
四好标准: 好用、好看、好造、好修
汽车开发程序¶
新产品开发流程
- 产品策划: 调研与项目建议书、编制初版产品技术描述说明书
- 概念设计: 总布置草图、造型设计、成本估算以及形成设计任务书
- 工程设计: 车身设计、总布置具体设计、各总成分头落实
- 试制设计: 分头设计、总体协调、校对
- 样车试验: 基本性能、道路试验、安全性、环境试验
- 投产:
生产销售: 销售与服务体系的建立
重点是调查、分析和造型
关键要见的多:车多、总成多、讨论多
切忌:闭门造车
新技术的应用:
- 产品新技术
- 设计制造新技术:3 D 虚拟实境早习惯,3 D 打印等
- 主要工作内容:
- 明确产品的开发目的
- 产品的使用调查
- 产品水平分析(产品先进性分析)
- 形体设计:概念草图、初步布置图、缩尺比例模型
- 产品的目标成本
- 通用化、标准化、系列化方案
- 绘方案图
- 初步性能估算
- 概念设计给出:
类型、质量、外观、发动机、离合器、变速箱、驱动桥、悬架、转向、制动、车身等各总成的基本结构和尺寸,以此为基础布置整车 - 技术设计:
- 总成设计师:
√ 根据设计任务书给出的条件和总体设计师的要求进行总成设计。 - 总体设计师:
√ 协调总成与整车、总成与总成之间的矛盾;
√ 进行整车性能计算、运动校核;
√ 编写技术文件;出试制图。)
现代制造是分工合作、资源优化
- 总成设计师:
- 试制、试验、改进、定性阶段
- 试制目的:
- 暴露问题,以便在投产之前解决
- 称重
- 试验目的:测试样车的性能是否满足设计要求
分为:- 整车基本性能试验
- 5 万公里的可靠性试验
- 典型地区的使用实验和根据使用条件在特殊地区的适应性实验
- 试制目的:
- 生产准备阶段:
主要工作:进行生产准备和小批量试生产,并让试生产车进一步经受用户的考验 - 生产销售阶段
主要工作:- 对产品正式批量生产;
- 对产品进行销售和服务工作;
- 售后服务工作中征求用户意见,反映给有关部门,以利改进和提高产品质量、扩大市场。
汽车样式的选择¶
分类¶
- 按 GB/T 15089-2001 分类:
- M;N,O
- M 是载客,质量或座位再细分分为 1 M、1 M 2、M 3
- N 是载货,按总质量再细分分为 N 1、N 2、N 3
- 试验、检测标准不同
- M;N,O
- 按 GB/T 7730.1-2001 分类:
- 乘用车和商用车
- 乘用车:不超过 9 座的载客车辆(高速?)
- 商用车:运货(大于 9 座)或载货的车辆
- 主要管理不同
- 乘用车和商用车
汽车型式¶
轴数¶
- 影响选取轴数的因素:
- 汽车的总质量
- 道路法规对轴载质量的限制
- 轮胎的负荷能力
- 我国公路标准规定:(四级公路及桥梁)
- 单轴最大允许轴载质量为 10 t;
- 双连轴最大允许轴载质量为 18 t(每轴 9 t)
总质量小于 19 t 的公路运输车辆:双轴汽车
总质量在 19~26 t 的公路运输车辆:三轴形式
不在公路上行驶的汽车,轴荷不受堵路桥梁标准的限制,如矿用自卸车等多数采用两轴的形式
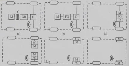
驱动形式¶
布置形式¶
- 定义:指的是发动机、驱动桥和车身(或驾驶室)的相互关系和布置特点
布置形式的重点是质量和空间分布,其次才是其他细节 - 轿车布置形式:
- 货车布置形式:
- 大货车的布置形式:
电动汽车¶
原理及布置
- 电机:中央、前置横向,轮边
- 电池:轴荷,安全,散热
- 控制:大电流线路短,减震,散热,EMC,防护
汽车主要参数的选择¶
主要尺寸¶
- 外廓尺寸
- 轴距
- 轮距
- 前悬、后悬
- 货车车头长度和车厢尺寸等
轴距:

轿车的级别越高,装载率或载客量多的货车或者客车轴距取长; 对机动性要求高的汽车轴距宜取短一点
前后轮的轮距:
确定的总原则:受汽车总宽的限制,不能超过 2.5 m 限制,轮距不宜过大
前后悬 \(L_F,L_R\) :

由整车的协调性、轴荷分配的要求、安装要求、通过性要求、撞车安全性等等确定
汽车质量参数的确定¶
- 整车整备质量:
指车上带有全部装备(包括随车工具、备胎),加满燃料、谁,但是没有载货和载人时的整车质量
使用足够强度的轻质材料;设计车型使得结构合理
汽车载客量与装载质量:
载荷分配:
定义:汽车在空载或者满载静止状态下,各个车轴对支承平面的垂直载荷,也可以用占空载或满载总质量的百分比来表示
原则:


汽车性能参数的确定¶
- 动力性参数:
- 燃油经济性:
- 机动性参数:
评价:最小转弯直径:方向盘转至极限位置时,汽车前外转向轮中线在支承平面上的轨迹圆的直径 - 通过性参数:

最小离地间隙 \(h_\mathrm{min}\)
接近角 Y
离去角β
纵向通过半径ρ等 - 操纵稳定性:
- 转向特性参数
要求:当 \(a_y = 0.4g\) 时,\((\alpha_1 - \alpha_2)\) 为 \(1^\circ \sim 3^\circ\) 为宜 - *车身侧倾角 \(\Phi\) *
要求:当 \(a_y = 0.4g\) 时,
\(\Phi \leq 3^\circ\) 较好,\(\Phi_{\text{max}} \leq 7^\circ\) - 制动前俯角
要求:当 \(a_y = 0.4g\) 时,
车身的前俯角不大于 \(1.5^\circ\)
- 转向特性参数
- 制动性
制动距离和平均减速度等等评价指标
发动机的选择¶
发动机形式的选择¶
发动机主要性能指标的选择¶
- 发动机的最大功率 \(P_{emax}\) 及相应转速 \(n_p\)
最大功率 \(P_e\) - 最大转矩 \(T_{emax}\) 以及对应的转速 \(n_T\)
\(T_{e\max}=9549\frac{aP_{e\max}}{n_{p}}\)
发动机的悬置¶
发动机是汽车的主要振源之一
运动校核¶
- 内容:
- 从整车角度出发进行运动学正确性的校核
- 对于有相对运动的部件或零件进行运动干涉校核
转向轮跳动图¶
- 转向轮上跳并转向到极限位置时所占用的空间,决定了轮罩形状及翼子板开孔形状
- 转向轮与纵拉杆、车架之间的运动间隙是否足够
传动轴跳动图¶
目的
- 确定传动轴上下跳动的极限位置及最大摆角θ;
- 确定空驶时万向节传动的夹角;
- 确定传动轴长度的变化量 (伸缩量)。设计时应保证传动轴长度最大时花键套与轴不致脱开,而在长度最小时不致顶死。
作图方法:
- 1)、在侧视图中以一定比例画出汽车满载时车架、钢板弹簧、后桥壳和传动轴的位置。
- 2)、确定主片中心点 A 的摆动中心;
- 3)、确定后万向节中心 B 的摆动中心;
- 4)、以 fc、fd、0.1 fc 确定 B 点的跳动位置。



- DE' 和 DE'' 为传动轴的下极限位置;
- DE 为传动轴的上跳极限位置;
- ⊙O 和 O' 为传动轴的最大摆角,此角度不超过 40°;
- 传动轴最大长度等于 DO₂ + BO₂;
- 传动轴最短长度为 DE' 和 DE'' 中较短的一个。
第一章 2,3,10
离合器的设计¶
传动系的组成和布置:

上述为发动机前置 - 后驱传动的布置图
概述¶
- 汽车起步时将发动机与传动系平顺地接合,确保汽车平稳起步;
- 在换挡时将发动机与传动系分离,减少变速器中换挡齿轮之间的冲击;
- 限制传动系所承受的最大转矩,防止传动系各零件因过载而损坏;
- 有效地降低传动系中的振动和噪声。
组成
- 主动部分:发动机飞轮、离合器盖和压盘等等
- 从动部分:从动盘
- 压紧机构:压紧弹簧
- 操纵机构:分离叉、分离轴承、离合器踏板及传动部件
以上四个部分组成
前三个机构是保证离合器处于接合状态并能传动动力的基本结构。操纵结构是使离合器主、从动部分分离的装置
离合器的结构方案分析¶
汽车的离合器多采用盘形摩擦离合器
从动盘数的选择¶
- 单片离合器:结构简单,从动部分转动惯量小,在使用时能保证分离彻底、接合平顺
- 双片离合器:传递扭矩的能力较大,接合较为平顺,但是中间压盘通风散热不良,分离不彻底
- 多片离合器:主要应用于重型牵引车和自卸车上
压紧弹簧和布置形式的选择¶
- 周置弹簧离合器的压紧弹簧采用圆柱螺旋弹簧,其特点是结构简单,制造容易
当发动机的最大转速很高时,周置弹簧由于受离心力作用而向外弯曲,使离合器传递转矩的能力随之降低 - 中央弹簧离合器可选加大的杠杆比,有利于减小踏板力,通过调整垫片或螺纹容易实现对压紧力的调整,多用于重型汽车上
- 斜置弹簧离合器的显著优点:摩擦片磨损或分离离合器时,压盘所受的压紧力几乎不变
膜片弹簧离合器¶
优点:
1)膜片弹簧具有较理想的非线性特性;
2)结构简单,轴向尺寸小,零件数目少,质量小;
3)高速旋转时,压紧力降低很少,性能较稳定;
4)压力分布均匀,摩擦片磨损均匀;
5)易于实现良好的通风散热,使用寿命长;
6)平衡性好;
7)有利于大批量生产,降低制造成本。
离合器主要参数的选择¶
接合过程
接合的过程中,发动机的输出转矩增大,转速先增加,后减小
离合器先克服摩擦力矩,之后转速、转矩增加,直到和发动机的转速同步
- 为了使得离合器在任何工况下都能可靠的传递发动机的最大转矩,设计时,\(T_c\) 应该大于发动机的最大转矩
\(T_{c}=\beta T_{emax}\)
\(\beta\) 为离合器的后备系数,定义为离合器所能传递的最大静摩擦力矩与发动机最大转矩之比
离合器的设计与计算¶
基本参数的优化¶
- 设计变量:
后备系数取决于工作压力 F 和离合器主要尺寸参数 D 和 d。单位压力 \(p_0\) 也取决于 F 和 D 及 d。因此,离合器基本参数的优化变量设计选为:
\(X=[x_{1}\quad x_{2}\quad x_{3}]^{T}=[F\quad D\quad d]^{T}\) - 目标函数:
\(f(x)=\sin\begin{bmatrix}\pi\left(D^{2}-d^{2}\right)\\4\end{bmatrix}\)
在满足离合器性能要求的条件下,使其结构尽可能小 -
约束条件:
- 摩擦片的外径 D(mm) 的选取应使最大圆周速度 vn 不超过 65~70 m/s,即
\(v_n = \frac{\pi D n_{\text{max}}}{60} \leq 65~70\,\text{m/s}\) (2-8) -
摩擦片的内外径比 c 应在 0.53~0.70 范围内,即
\(0.53 \leq sc \leq 0.70\) -
为保证离合器可靠传递转矩,并防止传动系过载,不同车型的β值应在一定范围内,最大范围β为 1.2~4.0,即
\(1.2 \leq \beta \leq 4.0\) -
为了保证扭转减振器的安装,摩擦片内径 d 必须大于减振器弹簧位置直径 2 R₀约 50 mm,即
\(d > 2R_0 + 50\) -
为反映离合器传递转矩并保护过载的能力,单位摩擦面面积传递的转矩应小于其许用值,即 \(T_{c0}=\frac{4T_{c}}{w_{c}\left(D^{2}-d^{2}\right)}\leq\left[T_{c0}\right]\)
- 摩擦片的外径 D(mm) 的选取应使最大圆周速度 vn 不超过 65~70 m/s,即
离合器膜片弹簧的设计¶
扭转减震器的设计¶
扭转减震器:弹性元件和阻尼元件组成的
- 功能:
1) 降低发动机曲轴与传动系统结合部分的扭转刚度,调谐传动系扭振固有频率。
2) 增加传动系扭振阻尼,抑制扭转共振响幅,并衰减冲击瞬态扭振。
3) 控制动力传动系总成怠速时离合器与变速器轴系的扭振,消减变速器怠速噪声和主减速器与变速器的扭振与噪声。
4) 缓和非稳定工况下传动系的扭转冲击和改善离合器的接合平顺性。
离合器的操纵机构¶
对操纵机构的要求¶
1)踏板力要小,轿车:80~150 N,货车:<150~200 N。
2)踏板行程在一定范围内,轿车:80~150 mm,货车:<180 mm。
3)摩擦片磨损后,踏板行程应能调整复原。
4)有对踏板行程进行限位的装置,防止操纵机构因受力过大而损坏。
5)应具有足够的刚度。
6)传动效率要高。
7)发动机振动及车架和驾驶室的变形不会影响其正常工作。
操纵机构结构形式的选择¶
常见的离合器操纵机构主要有机械式,液压式等
- 机械式有杆系和绳索两种形式
- 液压式操纵机构主要由主缸、工作缸和管路等等部分组成,具有传动效率高、质量小、布置方便、便于采用吊挂踏板、驾驶室容易秘方、驾驶室和车架变形不会影响其正常工作、离合器接合较柔和等优点
离合器操纵机构的主要计算¶
踏板力的计算公式:
式子中为分离时的总压力
总的传动比
机械效率
第二章 3,4,6
机械变速器¶
概述¶
-
作用:用来改变发动机传到驱动轮上的转矩和转速,目的是在各种行驶工况下,使汽车获得不同的牵引力与速度,同时使发动机在最有利的工况范围内工作。
变速器由变速传动机构和操纵机构组成 -
发动机工况:起动、怠速/部分负荷、全负荷
- 边界控制条件:冒烟控制、爆压控制、最高转速限制、其他等
- 喷射单元控制:高压油泵、多次喷射
设计要求¶
- 保证汽车有必要的动力性和经济性。
- 设置空挡,用来切断发动机的动力传输。
- 设置倒挡,使汽车能倒退行驶。
- 设置动力输出装置。
- 换挡迅速、省力、方便。
- 工作可靠。变速器不得有跳挡、乱挡及换挡冲击等现象发生。
- 变速器应有高的工作效率。
- 变速器的工作噪声低。
除此之外,还要满足轮廓尺寸小,质量小,制造成本低,维修方便等等要求
变速器传动机构布置方案¶
有两种分类方法:
- 由前进挡数:
- 三档
- 四挡
- 五档
- 多挡
- 由轴的形式:
- 固定轴
- 两轴式
- 中间轴式
- 双中间轴式
- 多中间轴式
- 旋转轴
固定轴式应用广泛
其中两轴式多用与前置前驱
中间轴式多用于前置后驱
旋转轴——液力机械式变速器
- 固定轴
两轴式¶
- 优点:结构简单、轮廓尺寸小、布置方便、中间档位传动效率高、噪声低等优点。
- 但是不能是指直接档,一档速比不可能设计得很大
中间轴式变速器¶
特点
- 有直接档
- 一档有较大的传动比
- 挡位高的齿轮采用常啮合齿轮传动,挡位低的齿轮(一挡)可以采用或不采用常啮合齿轮传动
- 除一档外,其他挡位采用同步器或者啮合套换挡
- 除直接挡外,其他挡位工作时的传动效率较低
倒挡的布置¶
零部件结构分析¶
齿轮形式¶
- 直齿圆柱齿轮:
- 斜圆柱齿轮:寿命长、工作噪音低;缺点:制造时稍复杂,工作时有轴向力
变速器中常啮合齿轮均采用斜齿圆柱齿轮;直齿圆柱齿轮仅仅用于低挡和倒挡
换挡机构形式¶
变速器换挡机构有直齿滑动齿轮、啮合套和同步套换挡器三种形式
采用轴向滑动直齿齿轮换挡,会在轮齿端面产生冲击,齿轮端部磨损加剧过早损坏,并伴随有噪声。因此,除一挡、倒挡外已很少使用。
常啮合齿轮不可移动啮合套换挡,因承受换挡冲击载荷的接合齿齿数多,常啮合齿轮可能被破坏,所以不能消除换挡冲击。目前这种换挡方法只在某些要求不高的挡位及重型货车变速器上应用。
使用同步器能保证换挡迅速、无冲击、无噪声,得到广泛应用。但结构复杂、制造精度要求高、轴向尺寸大。
利用同步器,更换挡行程要比滑动齿轮换挡长。
变速器轴承¶
变速器轴承常采用圆柱滚子轴承、球轴承、滚针轴承、圆锥滚子轴承、滑动轴套等
变速器主要参数选择¶
挡数¶
增加变速器的挡数能改善汽车的动力性和经济性。挡数越多,变速器的结构越复杂,使轮廓尺寸和质量加大,而且在使用时换挡频率也增高
要求
- 相邻档位之间的传动比比值在 1.8 以下
- 高档区相邻档位之间的传动比比值要比抵挡区相邻档位之间的比值小
主要是因为高档之间的冲击大,而且倒挡使用的时间多,换挡要更加平滑一点,使用的范围要大一点
中心距¶
对于中间轴式变速器,中间轴和第二轴之间的距离称为变速器中心距 A,变速器中心距是一个基本参数,对变速器的外形尺寸、体积和质量大小、轮齿的接触强度有影响
外形尺寸¶
轿车四挡变速器壳体的轴向为 3.0~3.4 A
中间轴式变速器的第二轴和中间轴中部直径 d≈0.45 A
变速齿轮主要参数选择¶
- 中心距
- 齿轮模数
- 压力角
- 螺旋角
- 变位系数
- 齿宽:经验设计或进行齿轮优化设计
模数的选取
1)为了减少噪声应合理减小模数,同时增加齿宽;
2)为使质量小些,应该增加模数,同时减小齿宽;
3)从工艺方面考虑,各挡齿轮应该选用一种模数;
4)从强度方面考虑,各挡齿轮应有不同的模数。
对于轿车,减少工作噪声较为重要,因此模数应选得小些;
对于货车,减小质量比减小噪声更重要,因此模数应选得大些。
所选模数值应符合国家标准的的规定。
变速器齿轮模数范围大致如下:
| 微型、普通级轿车 | 中级轿车 | 中型货车 | 重型货车 |
|---|---|---|---|
| 2.25~2.75 | 2.75~3.00 | 3.5~4.5 | 4.5~6.0 |
螺旋角设计:
应力求中间轴上同时工作的 2 对斜齿轮产生的轴向力平衡,以见啥轴承负荷,提高轴承寿命
变位系数、齿宽
确定齿轮齿数
汽车变速器齿轮弯曲强度计算¶
同步器¶
- 惯性同步器工作原理:摩擦、锁止、同步、解锁
- 主要参数:摩擦系数,半锥角、平均摩擦钣金、锁止角、同步时间
- 同步器计算:同步时间、同步换挡条件
自锁条件
变速器¶
五大变速箱:MT,AT,AMT,DCT,CVT
MT 手动变速箱¶
MT ——手动变速器,手动挡
未来手动变速箱的发展趋势是档位不断提高,以使得发动机的转矩和转速更好地匹配汽车复杂的工况需求
无级变速¶
- CVT 与手动变速相比:经济性好、响应快
- 与有级变速相比:传动效率低、速比变化范围宽
- 决定使用寿命的关键部件:传动带(橡胶、金属带)
作业:P 112,2,3 题
万向传动轴设计¶
大作业,动力性设计
概述¶
万向传动轴一般是有万向节、传动轴、和中间支承组成。主要用于在工作过程中相对位置不断改变的两根轴之间传递转矩和旋转运动
要求
- 所联接的两根轴之间相对位置在雨季范围内变动时,能可靠地传递动力
- 保证所联接的两轴尽可能等速转动
- 由于万向节夹角而产生的附加载荷、振动和噪声应在允许范围内
- 传动效率高,使用寿命长,结构简单,制造方便,维修容易等
十字轴万向节¶
典型的十字轴万向节主要由主动叉、从动叉、十字轴、滚针轴承及其轴向定位件和相角密封件组成
准等速万向节¶
等速万向节¶
原理:动力传递点始终保持在输入输出轴的等分面上,通过该点线速度相同得出,
万向传动的运动和受力分析¶
单十字轴万向节传动¶
\(\alpha\) 为主动轴与从动轴的夹角,\(cos\phi_1\) 为周期为 2 pi 的周期函数,座椅主动轴以等角速度转动时,从动轴时快时慢,此即为普通十字轴万向节传动的不等速性
不等速性可以使用转速不均匀系数 k 来表示:
转矩的关系公式为:(利用功率相等得出的结果)
附加弯曲力偶矩的分析:
附加弯矩的大小是在零和上述两最大值之间变化的,变化周期为π,即每一转变化两次
因此,为了控制附加弯矩,应避免两轴之间的夹角过大
双十字轴万向节传动¶
当输入、输出轴平行时,直接联接传动轴的两个万向节叉所受的附加弯矩,使得发生 b 所示的弹性弯曲
当输入、输出轴相交时,传动轴两端万向节叉上所受附加弯矩方向形同,不能彼此平衡,发生 d 中双点划线所示的弹性弯曲
传动轴结构分析与设计¶
传动轴总成主要由传动轴及其两端焊接的花键和万向节叉组成。传动轴中一般设有滑动叉和花键轴组成的滑动花键,以实现传动长度的变化
传动轴的临界转速为:
L 为两个万向节中心之间的距离;\(d_c和D_c\) 分别为传动轴轴管的内径和外径
设计传动轴,轴管的扭转切应力应该满足:
4-2,4-5 的作业
课程设计大作业¶
设计报告和 ppt
设计报告 5000 字以上,ppt 15 分钟左右
进行总体设计
- 发动机的主要性能指标以及选型
- 传动比
- 离合器、万向节、传动轴的主要参数
- 根据所选动力总成进行动力性、经济性估算
-
编制设计说明书记忆总布置草图
-
设计方案:选用的动力、传动系(最小传动比(主减速器)和最大传动比(最大爬坡度))、布置的方案、总体尺寸控制
- 性能计算:动力性,经济性
- 优势和不足说明
- 技术难点
书上的曲线做出来(各档的驱动力的曲线之类的(就是类似于动力性、经济性的曲线))
数据在网上找一点数据吗
发动机的总布置草图画一下
书上也给出了发动机整体的参数
细分市场等等,不一定局限于我们布置的题目
整车的功率曲线和阻力曲线(转矩随着转速变化的公式)














































